Banner-statico_2537x320.jpg

Firma e repertoriazione convenzioni e contratti

Il flusso o workflow è stato realizzato con l'obiettivo di acquisire la firma digitale sulle convenzioni, sui contratti e acquisire le informazioni relative al bollo, in modo tale da evitare l'apposizione delle marche cartacee, e effettuare la conservazione a norma. Il documento che rappresenta la convenzione non sarà stampato ma, sarà digitale dalla sua creazione alla firma. Il sistema consentirà di terminare il processo senza avere necessità di stampare alcun tipo di documento.

Proponente (inserimento)

Il proponente registra un nuovo documento all'interno del reportorio Convenzioni o Contratti, quindi dal modulo Documenti, selezionare il tab Repertorio quindi cliccare sul repertorio.

Titulus 5: registrazione convenzione o contratto, selezione repertorio

Per effettuare una registrazione corretta è necessario compilare tutti i campi necessari come indicato di seguito:

  1. Indicazione dei destinatari della convenzione;
  2. Indicazione del valore Iter di firma e repertoriazione delle convenzioni e dei contratti, nel campo Voce di Indice, tale valore è necessario per il corretto avvio del flusso;
  3. Compilazione del campo Oggetto;
  4. Indicare la Classificazione da associare al documento. Il flusso in automatico inserisce I/7 Archivio.
  5. Caricare il file della convenzione o contratto, in formato PDF/A.

Una volta compilati tutti i campi necessari effettuare la registrazione tramite il pulsane SALVA BOZZA

L’utente che ha registrato il documento viene messo in cc;

Si fa presente che il workflow non effettua la spedizione/invio ai destinatari, tale operazione deve essere effettuata manualmente, come descritto nella pagina Invio Documento

TItulus 5: registrazione convenzione/contratto attivazione flusso

L'avvio del workflow è segnalato dalla presenza di un un pannello di sfondo giallo con il testo ITER DI AUTORIZZAZIONE ATTIVO, al disotto del quale è presente un secondo pannello con il pulsante Azioni disponibili, che fornisce la lista delle azioni che l'utente collegato può svolgere sulla registrazione.

Titulus 5: flusso attivo

Il pannello, che segnala la presenza di un flusso attivo, risulta cliccabile ed espandibile e mostra la linearizzazione dell'iter di autorizzazione attivo (timeline) sul documento e lo step (con relativa descrizione) in cui si trova il documento.

Titulus 5: timeline del flusso

Indicazione firma

L'avvio del workflow è segnalato con la presenza della sezione Workflow Applicati e da un'immagine che riporta un sole.

Il primo passo del workflow è costituito dalle azioni di richiesta visti e firma, che fornisce all'operatore le azioni:

  • Visti e firma NON necessari: questa azione è da scegliere nel caso in cui si sia già in possesso della convenzione o del contratto firmati data tutte le parti quindi si intende solamente procedere alla repertorizzazione e alla registrazione delle informazioni relative al bollo. Il documento viene trasmesso allo step Indicazione della convezione o contratto;
  • Visti e firma necessari: questa azione è da scegliere nel caso in cui la convenzione o il contratto, già firmati dalla controparte, deve essere controfirmata dal referente dell'Ateneo. In questo caso nei passaggi successivi. Il documento viene trasmesso allo step Indicazione della convenzione;

Chi può eseguire le azioni?

  • L’utente che ha registrato la bozza;
  • Il RPA di riferimento;
  • L’Amministratore di Titulus.

Titulus 5: iter di firma e repertoriazione delle convenzioni e dei contratti, chiesta firma

Indicazione della convenzione

Nel secondo passo del flusso è presente la sola azione Inserisci il tipo di convenzione o contratto. L’utente indica il tipo di convenzione o contratto; quanto indicato viene inserito in un’annotazione così formulata: CONVENZIONE: [Tipo di Convenzione o Contratto inserita]; il documento viene quindi trasmesso allo step Indicazione esenzione da bollo.

Chi può eseguire le azioni?

  • L’utente che ha registrato la bozza;
  • Il RPA di riferimento;
  • L’Amministratore di Titulus.

Titulus 5: inserisci tipo di accordo

TItulus 5: inserimento descrizone convenzione o contratto

TItulus 5: annotazione con la descrizone convenzione o contratto

Indicazione esenzione da bollo

In questo passo l'utente indicherà, se necessario le informazioni relative al bolo. In particolare, verrà richiesto di inserire il numero di marche da bollo, richieste per la stipula della convenzione o del contratto, e l'importo totale del bollo. In quest'ultimo caso l'importo sarà sempre un multiplo di 16 in quanto verranno sempre applicate marche da bollo di importo pari a 16 euro.

Le azioni disponibili in questo passo sono:

  • Bollo ESENTE: l’annotazione precedente inserita viene così modificata: CONVENZIONE: [Tipo di Convenzione o Contratto inserito] - BOLLO: Esente; il documento viene trasmesso allo step Step automatico;
  • Bollo a carico ATENEO: l’utente deve inserire il numero di marche da bollo e l’importo complessivo; quanto indicato viene inserito nell’annotazione precedente così formulata: CONVENZIONE: [Tipo di Convenzione inserita] - BOLLO: A carico di: Ateneo - Numero marche: [Numero inserito] - Importo: [Importo inserito]; il documento viene trasmesso allo Step automatico;
  • Bollo a carico Ateneo come sostituto ente/soggetto esterno: l’utente deve inserire il numero di marche da bollo e l’importo complessivo; quanto indicato viene inserito nell’annotazione precedente così formulata: CONVENZIONE: [Tipo di Convenzione inserita] - BOLLO: A carico di: Ateneo come sostituto - Numero marche: [Numero inserito] - Importo: [Importo inserito]; il documento viene trasmesso allo Step automatico;
  • Bollo a carico ente/soggetto esterno: l’annotazione precedente inserita viene così modificata: CONVENZIONE: [Tipo di Convenzione o Contratto inserito] - BOLLO: A carico di Ente/soggetto esterno; il documento viene trasmesso allo Step automatico.

Chi può eseguire le azioni?

  • L’utente che ha registrato la bozza;
  • Il RPA di riferimento;
  • L’Amministratore di Titulus.

TItulus 5: registrazione dati bollo

Nel caso in cui al precedente step sia stato selezionato Bollo a carico ATENEO o Bollo a carico Ateneo come sostituto ente/soggetto esterno il sistema richiederà l'inserimento, in sequenza, delle seguenti informazini relative al bollo:

  1. Numero di marche da bollo;
  2. Importo complessivo delle marche da bollo.

TItulus 5: registrazione dati bollo, numero marche da bollo

TItulus 5: registrazione dati bollo, valore marche da bollo

Inserite le informazioni sul bollo queste verranno riportante nell'annotazione, create allo step Indicazione della convezione o contratto.

TItulus 5: registrazione dati bollo, aggiornamento dati annotazione

Step automatico

Il documento viene trasmesso secondo quest’ordine:

Indicazione visti e firmatario

In questo passo l'utente che sta effettuando la registrazione potrà indicare quali visti sono necessari da acquisire o se non sono necessari visti. Indicata tale informazione, il sistema chiederà all'utente di indicare il firmatario della convenzione, che sarà ricercabile tra tutti le utenze presente nell'anagrafica di Titulus.

Le azioni disponibili in questo passo sono:

  • È necessario SOLO il visto del EP: viene effettuato un controllo:
    • se è presente un ufficio superiore a livello gerarchico rispetto alla UOR del RPA, l’utente indica il firmatario ed il documento viene trasmesso allo step automatico Smistamento;
    • se non è presente un ufficio superiore a livello gerarchico rispetto alla UOR del RPA, verrà mostrato un messaggio all’utente ed il documento rimane sullo step automatico Indicazione visti e firmatario;
  • È necessario SOLO il visto del DG: l’utente indica il firmatario; il documento viene trasmesso allo step automatico Smistamento;
  • Sono necessari sia il visto del EP sia il visto del DG: viene effettuato un controllo: 
    • se è presente un ufficio superiore a livello gerarchico rispetto alla UOR del RPA, l’utente indica il firmatario ed il documento viene trasmesso allo step automatico Smistamento;
    • se non è presente un ufficio superiore a livello gerarchico rispetto alla UOR del RPA, verrà mostrato un messaggio all’utente ed il documento rimane sullo step automatico Indicazione visti e firmatario;
  • NON sono necessari visti: l’utente indica il firmatario; il documento viene trasmesso allo step automatico Smistamento.

Chi può eseguire le azioni?

  • L’utente che ha registrato la bozza;
  • Il RPA di riferimento;
  • L’Amministratore di Titulus.

TItulus 5: azioni per visto e firma

TItulus 5: selezione firmatario

Smistamento (step automatico)

Il documento viene trasmesso secondo quest’ordine:

  • Allo step Valutazione RPA nel caso in cui non sia stato il RPA a registrate la bozza; il sostituto del RPA viene inserito in cc; viene inviata una e-mail al RPA ed al sostituto;
  • Allo step Valutazione EP nel caso in cui sia stato chiesto il visto del EP; il Capo Area ed il sostituto sono inseriti in cc e sono avvisati via e-mail;
  • Allo step Valutazione DG nel caso in cui sia stato chiesto il visto del DG; il DG ed il sostituto sono inseriti in cc e sono avvisati via e-mail;
  • Allo step Valutazione firmatario in tutti gli altri casi; il firmatario viene inserito in cc e viene avvisato tramite un’e-mail.

Valutazione RPA

In questo passo il Responsabile del Procedimento Amministrativo, indicato nella registrazione, potrà valutare la convenzione e i documenti a corredo. Il RPA potrà svolgere alcune azioni dirette di modifica dei documenti o comunque approvare la convenzione, in questo caso il flusso passerà al passo di valutazione da successivo, o rigettare la convezione o contratto, in questo caso il sistema richiede l'inserimento delle problematiche riscontrate e da correggere.

Le azioni disponibili in questo passo sono:

  • Approva: il documento viene smistato secondo quest’ordine:
    • Allo step Valutazione EP nel caso in cui sia stato chiesto il visto del EP; il Capo Area ed il sostituto sono inseriti in cc e sono avvisati via e-mail;
    • Allo step Valutazione DG nel caso in cui sia stato chiesto il visto del DG; il DG ed il sostituto sono inseriti in cc e sono avvisati via e-mail;
    • Allo step Valutazione firmatario in tutti gli altri casi; il firmatario viene inserito in cc e viene avvisato tramite un’e-mail;
  • Richiedi il visto del EP: tale azione è disponibile solo se non è stato già richiesto il visto del EP; se non è presente un ufficio superiore a livello gerarchico rispetto alla UOR del RPA, verrà mostrato un messaggio all’utente e la bozza rimane sullo step Valutazione RPA;
  • Rigetta: viene richiesta la riformulazione della proposta e viene richiesta una motivazione; l’annotazione precedentemente inserita, cioè CONVENZIONE: …, viene cancellata. La bozza viene inviata allo step Riformula documento; il sistema inserirà in cc l’utente che ha registrato il documento ed invierà una e-mail;
  • Modifica allegato: viene data la possibilità di sostituire uno qualsiasi dei file associati; la bozza rimane sullo step Valutazione RPA;
  • Aggiungi allegato: consente di caricare un ulteriore file; la bozza rimane sullo step Valutazione RPA.

Chi può eseguire le azioni?

  •  il RPA di riferimento;
  • Il sostituto del RPA;
  • L’Amministratore di Titulus.

Titulus 5: iter convenzini e contratti, azioni RPA

Titulus 5: iter convenzini e contratti, azioni RPA

Valutazione EP

In questo passo il Responsabile Amministrativo o di Struttura potrà valutare la convenzione e i documenti a corredo.

Il Responsabile Amministrativo o di Struttura potrà approvare, in questo caso il flusso passerà al passo di valutazione da parte del firmatario, o rigettare, in questo caso il sistema richiede l'inserimento delle problematiche riscontrate e da correggere.

Le azioni disponibili in questo passo sono:

  • Approva: il documento viene smistato secondo quest’ordine:
    • Allo step Valutazione DG nel caso in cui sia stato chiesto il visto del DG; il DG ed il sostituto sono inseriti in cc e sono avvisati via e-mail;
    • Allo step Valutazione firmatario in tutti gli altri casi; il firmatario viene inserito in cc e viene avvisato tramite un’e-mail;
  • Rigetta: viene richiesta la riformulazione della proposta e viene richiesta una motivazione; l’annotazione precedentemente inserita, cioè CONVENZIONE: …, viene cancellata. La bozza viene inviata allo stepRiformula documento; il sistema inserirà in cc l’utente che ha registrato il documento; invierà una e-mail a quest’utente ed al RPA.

Chi può eseguire le azioni?

  • il Capo Area di riferimento;
  • Il sostituto del Capo Area;
  • L’Amministratore di Titulus.

Titulus 5: iter convenzini e contratti, azioni EP widget

Titulus 5: iter convenzini e contratti, azioni EP

Valutazione DG

In questo passo il Direttore Generale potrà valutare la convenzione e i documenti a corredo.

Il Direttore Generale potrà approvare, in questo caso il flusso passerà al passo di valutazione da parte del firmatario, o rigettare, in questo caso il sistema richiede l'inserimento delle problematiche riscontrate e da correggere.

Le azioni disponibili in questo passo sono:

  • Approva: il documento viene trasmesso allo step Valutazione firmatario; il firmatario viene inserito in cc e viene avvisato tramite un’e-mail;
  • Rigetta: viene richiesta la riformulazione della proposta e viene richiesta una motivazione; l’annotazione precedentemente inserita, cioè CONVENZIONE: etc., viene cancellata. La bozza viene inviata allo stepRiformula documento; il sistema inserirà in cc l’utente che ha registrato il documento; invierà una e-mail a quest’utente ed al RPA.

Chi può eseguire le azioni?

  • il Direttore Generale;
  • Il sostituto del DG;
  • L’Amministratore di Titulus.

Titulus 5: iter convenzini e contratti, azioni DG widget

Titulus 5: iter convenzini e contratti, azioni DG

Valutazione firmatario

In questo passo il firmatario, indicato dall'utente nei primi passi del flusso, potrà valutare la convenzione e i documenti a corredo, così da poter procedere all'apposizione della firma oppure richiederne la modifica della convenzione. Nel caso in cui il firmatario rigetti la convenzione il sistema richiede l'inserimento da parte del firmatario delle problematiche riscontrate e da correggere.

Le azioni disponibili in questo passo sono:

  • Approva e firma: il documento ed eventualmente gli allegati vengono firmati nella loro versione originale; il documento viene trasmesso allo step Registrazione automatica;
  • Rigetta: viene richiesta la riformulazione della proposta e viene richiesta una motivazione; l’annotazione precedentemente inserita, cioè CONVENZIONE: etc., viene cancellata. La bozza viene inviata allo step Riformula documento; il sistema inserirà in cc l’utente che ha registrato il documento; invierà una e-mail a quest’utente ed al RPA.

Chi può eseguire le azioni?

  • il firmatario;
  • L’Amministratore di Titulus.

Titulus 5: iter convenzini e contratti, azioni Firmatario widget

Titulus 5: iter convenzini e contratti, azioni Firmatario

Titulus 5: iter convenzini e contratti, azioni Firmatario firma

Riformulazione documento

Ogni volta che viene viene eseguita un'azione di rigetto negli altri passi, il flusso si posizionerà su questo passo che consente di modificare il documento che rappresenta la convenzione e di aggiungere altri documenti (file) necessari per la stipula della convenzione.

Le azioni disponibili in questo passo sono:

  • Modifica allegato: viene data la possibilità di sostituire uno qualsiasi dei file associati; rimane sullo step Riformulazione documento;
  • Aggiungi allegato: consente di caricare un ulteriore file; rimane sullo step Riformulazione documento;
  • Inoltra: la proposta viene inviata allo step Indicazione della convezione o contratto.

Chi può eseguire le azioni?

  • Il RPA di riferimento;
  • L’operatore che ha registrato la bozza;
  • L’Amministratore di Titulus.

Registrazione automatica (step automatico)

La bozza viene protocollata e repertoriata se registrata nel repertorio; viene inviata un’e-mail al RPA ed all’utente che ha registrato il documento.

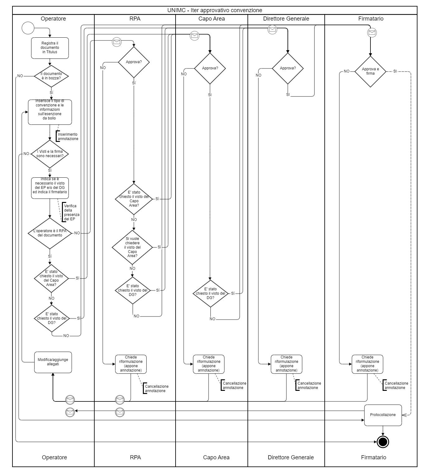
Diagramma del flusso

Convenzioni: diagramma del flusso

Ultimo aggiornamento  2022/03/29 11:04:50 GMT+2

5x1000

Sostieni l'Università di Macerata
Sostieni i giovani e il territorio

PERCHÈ DONARE

Con il tuo 5 x1000 puoi sostenere i servizi
per il benessere e la vita comunitaria
delle studentesse e degli studenti

COME DONARE

Apponi la tua firma nel riquadro
"Finanziamento della ricerca scientifica e della
Università" e indica questo codice fiscale
00177050432